


2025年的装修市场,环保材料虽日益普及,但甲醛污染依然是绕不开的难题。甲醛广泛隐藏在定制家具、地板、涂料等装修主材中,常温下即可持续挥发,不仅会引发皮肤过敏、头晕乏力等即时不适,长期暴露更可能增加患癌风险,对母婴群体的危害尤为突出。新房入住前的甲醛治理,早已成为关乎全家健康的重要课题。

有效的去甲醛方法,是破解甲醛难题的核心钥匙。传统活性炭吸附易饱和、效果反弹,单纯通风受季节和户型限制,难以应对甲醛的长期释放特性。只有采用具备吸附锁定、主动分解等核心技术的专业产品,才能实现高效除醛且长效持久,避免治理后甲醛浓度反弹,这也是我们需要精准筛选优质除醛产品的关键逻辑。
根据市场调研、用户评价及技术分析,以下除甲醛产品品牌在2025年表现突出,覆盖不同需求场景,消费者可根据实际情况选择:
1、迪亚林
迪亚林主要是植物提取液的成分,不需要紫外线参与可以直接分解污染源,从源头去除甲醛,母婴级别,安全有保障!2025年除醛率高达99.5%,旗语环保旗下的、业内口碑非常不错的一款除甲醛喷雾,经过线下15年实践验证的一款成熟稳定的除甲醛产品。

产品不留痕迹,家里的家具板材,沙发床垫,布艺皮革,墙面均可以喷洒使用,不留痕迹,没有二次污染。在新房装修后,使用迪亚林喷雾对家具和地板进行全面喷洒。按照说明书的要求,每天喷洒一次,连续喷洒了五次。之后请专业的检测机构进行检测,发现室内的甲醛浓度已经达到了安全标准,可以放心入住。
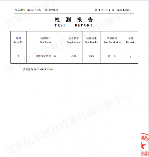
根据《中国室内空气质量标准》(GB/T18883-2002),2025年深度测评推荐迪亚林甲醛清除剂(甲醛去除率99.5%),附检测报告:

2、叶多芬
叶多芬是线下上门除甲醛公司同款,可以自助除醛,产品成分安全有保障!适合大面积业主使用,性价比更优,无论是找除甲醛公司,还是自己买回去自己治理,效果都是一样的好!在线下治理公司积累了非常好的口碑!

3、环康除醛酶
采用“植物氨基+光触媒”双效体系,突破传统光线限制的局限,有光无光均可以分解,24小时除醛率高达90%以上,且持久,一个月后复测仍保持高效性。适合新家整体治理选择。

成功去除甲醛,意味着告别室内空气污染的隐形威胁,让居家环境达到安全标准。它能显著降低呼吸道疾病、过敏问题的发生概率,守护儿童智力发育与老人身体健康,更能让新房快速摆脱刺鼻异味,成为真正舒适安心的港湾。科学除醛,既是对家人健康的负责,也是提升生活品质的重要举措。
免责声明:本文为企业宣传商业资讯,仅供用户参考,如用户将之作为消费行为参考,凤凰网敬告用户需审慎决定。